الأنبوب الإلكتروني
انبوب الكتروني
Electron tube - Tube électronique
محمد الحسين
| الصمام الخماسي pentode | الصمام الثنائي المفرَّغ diode |
| صمام الأشعة المهبطية(CRT) cathode- ray tube | الصمام الثلاثي المفرغ triode |
| الصمامات المِكروية microwave tubes | الصمام الرباعي tetrode |
دعت الحاجة المتزايدة إلى الكهرباء وتطبيقاتها إلى اكتشاف المزيد من عناصرها، فجرى الاعتماد منذ البدء على الحواكم الكهربائية في تشكيل دارات تؤدي بعض العمليات الحسابية مثل الجمع والضرب والطرح. ولكن نظراً للمساوئ التي اتصفت بها هذه الحواكم (مثل الحجم الزائد والاستهلاك الكبير للطاقة وبطء العمل ومحدودية العمل) ظهرت الصمامات الإلكترونية المفرغة electron vacuum tubes، والمؤلفة أساساً من طبقتين أو أكثر، إحداهما تسمى المصعد anode والثانية هي المهبط cathode، تفصلهما مساحة مفرغة تماماً، تمثل الطريق الأساسي للإلكترونات المتجهة من المهبط إلى المصعد بتأثير الحقل الخارجي المطبّق على أقطاب الصمام، وينشأ من تيار الإلكترونات هذا تيار كهربائي باتجاه معاكس له، يسمى تيار المصعد.
تُعطى سرعة الإلكترون v في المنطقة المفرغة بالقرب من الطبقة أو اللبوس المطبّق عليه الجهد V بالعلاقة 1:
![]() |
حيث e: شحنة الإلكترون مقدّرة بالكولون وتساوي
m : كتلة الإلكترون بالكيلو غرام وتساوي 
يُعرّف الصمام الثنائي بأنه عنصر إلكتروني يولِّد حزمة من الإلكترونات مكافئة للجهد (التوتر) الكهربائي المطبّق على أقطاب الصمام الخارجية. يتألف الصمام الثنائي من وعاء زجاجي مفرغ من داخله ومن قطب أو صفيحة يمكنها إصدار الإلكترونات إذا توفرت شروط التوليد المناسبة، وتصدر الإلكترونات نتيجة لتسخين المهبط (طريقة الإصدار الحراري). ويتألف أيضاً من المصعد الذي يُطبّق عليه جهد كهربائي موجب، أو أعلى من الجهد المطبّق على المهبط، بهدف جذب الإلكترونات المتولدة من المهبط. يبيّن الشكل (1) الرمز الكهربائي للصمام الثنائي.
![]() |
| الشكل (1): الرمز الكهربائي للصمام الثنائي |
يُعرّف الصمام الثلاثي بأنه عنصر ثلاثي الأقطاب الخارجية، مؤلف من ثلاث طبقات رئيسية، وهي على التتالي المصعد والشبكة الحاكمة والمهبط (الشكل 2).
![]() |
|
الشكل (2): الصمام الثلاثي. |
يُعدّ الصمام الثلاثي العنصر الإلكتروني الثاني بعد تطوير الصمام الثنائي، وهو صمام ثنائي مفرغ مضاف إليه شبكة مهمتها التحكم في التيار الإلكتروني المار عبرها والصادر عن المهبط والمتجه إلى المصعد. لذلك سُميت هذه الشبكة بالشبكة الحاكمة.
تُطبّق على أقطاب الصمام الثلاثي القيم ذاتها المطبّقة على الصمام الثنائي، أي KV=0 AKV>0. أما الجهد المطبّق على الشبكة الحاكمة فينبغي أن يكون سالباً للتقليل من شدة الحقلgV الكهربائي الساكن بين المصعد والمهبط، والذي من شأنه تقليل عدد الإلكترونات المتجهة إلى المصعد، ومن ثمّ التحكم فيها. وعندما يزداد الجهد المطبّق على الشبكة الحاكمة، يزداد أيضاً تيار الصمام (الشكل 3).
![]() |
|
الشكل (3): علاقة تيار الصمام بجهد الشبكة الحاكمة. |
يُعرّف الصمام الرباعي بأنه عنصر إلكتروني ذو أربعة أقطاب، يُستخدَم مكبّراً إلكترونياً للإشارات المتناوبة الصغيرة المطال، ولاسيما في الترددات العالية.
يتألف الصمام الرباعي من أربع صفائح متتالية: المصعد، والشبكة الحاجزة، والشبكة الحاكمة، والمهبط. أي إن له بنية الصمام الثلاثي نفسها مضافاً إليها شبكة جديدة، وهي الشبكة الحاجزة. تفيد هذه الشبكة في التقليل من السعة الكهربائية الناتجة بين المصعد والشبكة الحاكمة، والتي يمكن أن تسبّب سريان تيارات بين المصعد والشبكة الحاكمة عن طريقها. لذا تخفّض هذه التيارات التسريبية من عامل تكبير الصمام. وتهدف الشبكة الحاجزة إذن إلى تحسين عامل التكبير عند الترددات العالية، عن طريق التقليل من السعة المذكورة آنفاً.
يبيّن الشكل (4) الرمز الكهربائي للصمام الرباعي بأجزائه الأربعة.
![]() |
|
الشكل (4): الرمز الكهربائي للصمام الرباعي. |
يُعرّف الصمام الخماسي (الشكل 5) بأنه عنصر إلكتروني خماسي الأقطاب الخارجية، مؤلف من خمس طبقات مرتّبة على التتالي: المصعد، الشبكة الحاذفة، الشبكة الحاجزة، الشبكة الحاكمة، المهبط. وهو مكبّر للإشارات المتناوبة الصغيرة المطال. ويختلف عن الصمام الرباعي بإضافة شبكة جديدة سُميت بالشبكة الحاذفة، وتعمل على منع الإلكترونات الثانوية الناتجة من الإصدار الثانوي من قطب المصعد، من بلوغ المهبط، وذلك بإعادتها إلى المصعد. ومن ثمَّ تُلغى ظاهرة الإصدار الثانوي بهذه الطريقة، أي تُحذف المنطقة غير الخطية من منحنيات الخواص الساكنة للصمام الرباعي.
![]() |
|
الشكل (5): الصمام الخماسي. |
صمام الأشعة المهبطية(CRT) cathode- ray tube
يُعدّ توليد الحزمة الإلكترونية من المهبط والمتجهة نحو المصعد مبدأً عاماً لجميع الصمامات المفرغة، ومن هذه الصمامات صمام الأشعة المهبطية.
يُعدّ الصمام CRT العنصر الأساسي في أجهزة رواسم الإشارة والأجهزة التلفزية، والشاشات المستخدمة في الحواسيب الإلكترونية وغيرها من التجهيزات الإلكترونية.
1 - بنية صمام الأشعة المهبطية
يتألف صمام الأشعة المهبطية من مجموعة أجزاء رئيسية غايتها إظهار الإشارات المطبّقة على مدخله.
يتألف صمام الأشعة المهبطية (الشكل 6) بأبسط أنواعه من مجموعة أجزاء وهي:
![]() |
|
الشكل (6): صمام الأشعة المهبطية. |
• المهبط وفتيل التسخين.
• الشبكة الحاكمة.
• مجموعة مصاعد للتوليد والتسريع والتركيز.
• مجموعة صفائح للانحراف، وتتكون من صفائح الانحراف الأفقي والشاقولي.
• مصعد إضافي يُوضع في عنق الصمام، وهو طبقة ناقلة من الغرافيت يُطبّق عليها جهد موجب عال.
• الشاشة التي تحوّل فيها الطاقة الحركية للإلكترونات إلى طاقة ضوئية مرئية.
• غلاف زجاجي خارجي ذو نفوذ عال يحمي الشاشة.
تكوِّن الأجزاء الثلاثة (المهبط والشبكة والمصعد) ما يسمى بالبندقية الإلكترونية electron gun.
2 - البندقية الإلكترونية
تتألف البندقية الإلكترونية من مجموعة عناصر، أولها المهبط وآخرها المصعد الثالث. تنطلق الإلكترونات عشوائياً من المهبط، ويجري تجميعها وتركيزها في حزمةٍ ضيقة وفق محور الصمام باتجاه الشاشة الفسفورية الواقعة في واجهة الصمام.
يبيّن الشكل (7) مقطعاً عرضانياً للبندقية الإلكترونية بكامل عناصرها، وشكل الحزمة المنطلقة إلى خارج هذه البندقية (أي صفائح الانحراف).
![]() |
|
الشكل (7): البندقية الإلكترونية. |
3 - نظم الانحراف في صمام الأشعة المهبطية
ثمة نوعان من نظم الانحراف: المغنطيسية أو الكهرسكونية، يستخدم الانحراف المغنطيسي حقلاً مغنطيسياً مولَّداً من أربع وشائع لتحريك الحزمة عبر الأنبوب. أما في الانحراف الكهرسكوني (وهو النمط المستخدم في الرادارات ورواسم الإشارة) تُوضع أربع صفائح داخل الأنبوب، بحيث تعمل الصفيحتان العليا والسفلى على التحكم في الانحراف الشاقولي للحزمة، وتتحكم الصفيحتان اليمنى واليسرى في الانحراف الأفقي. يبيّن الشكل (8) نظام انحراف كهرسكوني لصمام الأشعة المهبطية.
![]() |
|
الشكل (8): نظام انحراف كهرسكوني. |
4 - مصعد التسريع الرابع a4
يمكن استخدام طبقة الغرافيت الناقلة داخل الصمام وعلى طول الجزء المخروطي والمواجه للشاشة مصعداً رابعاً، يُطبّق عليه جهد كهربائي عالٍ، بقيمة تزيد على الجهد المطبّق على المصعد الثالث a3. ويهدف هذا المصعد الجديد إلى التسريع الشديد للإلكترونات.
5- الشاشة
تتألف الشاشة من طبقة رقيقة من الفسفور الواقع داخل الصفيحة المواجهة للصمّام. وتهدف إلى إظهار وضع الحزمة الإلكترونية المنحرفة في أي لحظة.
الصمامات المِكروية microwave tubes
تؤلف الصمامات المِكروية (الصغرية) منابع الإشارة الرئيسية في نظم الرادار العالية الاستطاعة، ويعدّ المغنترون magnetron أكثر الصمامات استعمالاً، ويُستعمل أيضاً في تطبيقات التسخين الصناعية وفي الأفران المِكروية.
ثمة نوعان أساسيان من الصمامات المِكروية، أحدهما يستعمل الفجوات الرنّانة الكهرطيسية (مثل الكلايسترون klaystron وبعض المغنترونات)، ويستعمل الآخر دارات الموجة البطيئة (مثل صمامات الموجة الراحلة traveling wave tube). ويُعدّ مكبّر صمام الموجة الراحلة باستطاعة خرج تصل إلى 10W أو أكثر القسم الأهم في الاتصالات الساتلية.
1-المغنترون
وهو من الأدوات المتقاطعة المجال cross-field devices، ومن أكثر الصمامات المستخدمة لتوليد التردد الراديوي في مرسلات الرادار النبضي العاملة في نطاق الموجات المِكروية.
المغنترون صمام ثنائي ذاتي التذبذب يمتاز بصغر حجمه ووزنه وتحمّله الاهتزازات الميكانيكية والصدمات، وهذا ما يؤهله للعمل بالأنظمة المحمولة والمتنقلة. ويمتاز أيضاً بطول عمره وقلة كلفته مقارنةً بالأدوات الأخرى. ويُستخدم في التطبيقات العامة مثل الأفران المِكروية المنزلية.
يعمل المغنترون بجهود كهربائية منخفضة نسبياً مقارنةً بكثير من الصمامات الأخرى العاملة في النطاق الترددي ذاته وبكفاءة جيدة، وهذا ما يقلّل من مخاطر الإشعاعات الضارة.
إلا أن المغنترون لا يعمل مكبّراً، ويحدّ ذلك من عمله في كثير من الأنظمة التي تنتج إشارة التردد الراديوي في مستويات قدرة منخفضة. كما يعيبه أيضاً عدم مقدرته على إنتاج نبضات عالية القدرة يقلّ عرضها عن 50 ns وهذا ما يؤثر في دقة قياس المدى بالرادار.
من ناحية أخرى، المغنترون ذو سعة ترددية قليلة تحدّ من استخدامه في الأنظمة التي تتطلب تغيير تردد الإرسال لأسباب أمنية أو فنية.
يتضمن المغنترون ذو الفجوات cavity magnetron؛ المهبط الواقع في وسطه، والمصعد الذي يكوّن الجسم الخارجي للصمام (الشكل 9).
![]() |
|
الشكل (9): المغنترون ذو الفجوات |
تُعرف المنطقة بين المصعد والمهبط بمنطقة التفاعلinteraction region ، في حين تُعرف الفجوات بداخل جسم المصعد بالغرف الرنّانة، وهي مفتوحة على منطقة التفاعل وتتساوى في أحجامها.
يوضع جسم المغنترون النحاسي داخل الفراغ لمغنطيس دائم أو مغنطيس كهربائي قوي على شكل حدوة الحصان، بحيث يتقاطع المجال المغنطيسي والمجال الكهربائي عمودياً في منطقة التفاعل داخل الصمام. تتحرك الإلكترونات من المهبط، بعد تحرّرها منه بفعل الحرارة، متجهةً نحو المصعد عبر منطقة التفاعل وذلك بتأثير المجال الكهربائي الناشئ من فرق الجهد بين المصعد والمهبط. فتنشأ مجالات مغنطيسية تتفاعل مع المجال المغنطيسي في منطقة التفاعل، وهذا ما يجبر الإلكترونات على تغيير اتجاهاتها وجعلها تدور حول المهبط.
تحدّد الغرفة الرنّانة تردد الموجة المطلوبة بناءً على أحجامها؛ إذ يرتفع التردد بصغر حجمها. ولإيصال الإشارة المنتجة إلى الوسط الخارجي، تُمرّر الموجة بدليل موجةwaveguide موصول بإحدى الغرف، أو تُستخدم حلقة loop من سلك كهربائي صغير لتحويل الطاقة إلى طاقة كهربائية وتمريرها عبر كبل محوري إلى خارج الصمام.
يمكن توليد مجالات كهرطيسية ذات قدرات منخفضة بوساطة المغنترون. ويتأثر عمل المغنترون وأداؤه تأثراً مباشراً بتغيّر تيار المصعد وتغيّر مجال الحمل، المكوّن بالمزدوج والهوائي ودوائر الربط.
يسمى تغيّر التردد الناتج في إشارة خرج المغنترون (بسبب تغيّر التيار) بمعامل الدفع pushing figure، ويُقاس بواحدة التردد لكل واحدة تيار، أي MHz/A. ويسمى الفرق الترددي الناتج بسبب تغيّر طور الحمل بمقدار زاوية كاملة 360 ْ بمعامل السحب pulling figure الذي يصل غالباً إلى أكثر من 15 MHz.
ونظراً لأن بعض الإلكترونات الواقعة داخل منطقة التفاعل لا تتمكن من تحويل طاقتها إلى طاقة كهرطيسية، فتعود إلى المهبط، ترتفع درجة حرارة المهبط ارتفاعاً شديداً، ويسمى ذلك بالحرارة الراجعة back heating التي قد تؤدي إلى تلف الصمام ما لم يجرِ تداركها.
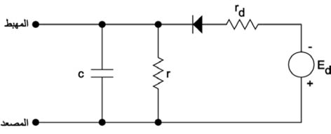
يُمثّل المغنترون بدائرة مكافئة مكوّنة من ثنائي (ديود) مقوّم للتيار، ومكثّف &https://arab-ency.com.sy/scitech/details/165911#39;C يمثل سعة الصمام الشاردة stray capacitance ومقاومة &https://arab-ency.com.sy/scitech/details/165911#39;r تمثل التسريب في التيار (الشكل 10). تمثّل المقاومة dr مقاومة الانحياز الأمامي للثنائي في حين يمثّل مصدر الجهد dE جهد الانحياز العكسي للثنائي الذي يمثل جهد هارتري Hartree في المغنترون.
![]() |
|
الشكل (10): الدارة المكافئة للمغنترون. |
وللحصول على استقرار أكبر في تردد المغنترون تم تطوير المغنترون المحوري coaxial magnetron. الذي تُستَخدم فيه غرفةٌ رنّانة معينة عنصراً لتحديد التردد، وهذا ما يمكّن من الحصول على تردد مستقر للإشارة عند تغيّر الحمل والتيار والحرارة.
2 - الكلايسترون
يُعدّ الكلايسترون صمام قدرة خطي الحزمة linear-beam عالي الكفاءة في نطاق الموجات المِكروية. وهو من المكبّرات التي تمتاز بمعامل تكبير مرتفع وقدرة وكفاءة مرتفعة مقارنة بالأدوات الموجية الأخرى.
يحتاج الكلايسترون إلى جهود عالية جداً مقارنةً بالصمامات الأخرى، مثل الصمامات الفراغية والمغنترون وصمام الموجة الراحلة. ولا تفوقه في ذلك إلا الصمامات العاملة بسرعات إلكترونية نسبوية relativistic مثل الجيروترون gyrotron والأبيترون apitron. كما يتصف الكلايسترون بسعة ترددية صغيرة لا تسمح بتغيير كبير في تردد الإشارة التي يعمل على تكبيرها. إضافةً إلى ذلك فإن حجمه كبير يتطلب توفر دروع حوله لمنع تسرب الأشعة السينية التي قد تتولّد به إلى خارج الصمام.
يتضمن الكلايسترون (الشكل 11) ثلاث مراحل، وهي مدفع الإلكترونات، مرحلة التردد الراديوي RF section، مرحلة المجمّع collector. يقوم مدفع الإلكترونات بإنتاج الإلكترونات من المهبط وتركيزها focusing لتقليل الأثر الحراري الذي قد ينتج من احتكاكها بجدار الصمام، ثم قذفها عبر الشبكة الحاكمة التي تتحكم في شدة التيار الإلكتروني إلى مرحلة التردد الراديوي.
![]() |
|
الشكل (11): الكلايسترون. |
تشمل مرحلة التردد الراديوي المصعد الأسطواني الشكل، والذي يحوي ثلاث فجوات. تتصل الفجوة الأولى بالوسط الخارجي لإدخال الإشارة والأخيرة لإخراج الإشارة بعد تكبيرها، وتمرّ الإلكترونات عبر نفق بوسط المصعد. يمكن إدخال الإشارة أو إخراجها على أنها موجة كهرطيسية أو تيار كهربائي، ويجري تحويلها من/إلى تيار بوساطة حلقة من سلك معدني في حال عدم استخدام دليل موجة. يعمل المجمّع على تجميع الإلكترونات الحرة المقذوفة بعد عبورها عبر المصعد المجوّف.
عند مرور الإلكترونات بمرحلة التردد الراديوي عبر الفجوة الأولى التي تسمى بالمحزّمة buncher، تُعدّل طاقة الإلكترونات بوساطة المجال الكهرطيسي لإشارة الدخل العالية التردد. وبعد مرورها عبر الفجوة الوسطى للمصعد، تميل الإلكترونات إلى تحويل طاقتها المستمدة من المجال الكهربائي داخل الصمام إلى مجال كهرطيسي بتردد إشارة الدخل ذاتها، وذلك عبر الفجوة الأخيرة التي تسمى بالمصيدة catcher؛ إذ يُحوّل جزء كبير من الطاقة إلى إشارة الخرج.
إن العلاقة بين تيار الكلايسترون والجهد بين المصعد والمهبط غير خطية، وتُعطى بالعلاقة (2):
(2) 
حيث K معامل الصمام. في حين أن العلاقة بين القدرة (الاستطاعة) والجهد هي (العلاقة 3):
(3) 
ونظراً إلى خطورة استعمال الكلايسترون، وارتفاع كلفته وحجمه، واحتياجه إلى مصدر تغذية خاص متعدد الجهود، يندر استخدامه في مرسلات الرادار الشائعة الانتشار، في حين يُستخدم في عدد من أنظمة الاتصالات لاستقراره وقدرته المرتفعة. وثمّة نوع من الكلايسترون يعمل أداةً ذاتيةَ التذبذب، وهو منخفض الكلفة ويحتاج إلى جهود تشغيل أقل من الكلايسترون المكبّر، يسمى الكلايسترون الردّي reflex klystron. ويُستخدم مذبذباً محلياً في بعض مستقبِلات الرادار القديمة.
3 - صمام الموجة الراحلة
يُعدّ صمام الموجة الراحلة أو المتنقلة (TWT) traveling wave tube صمام قدرة خطي الحزمة ذا سعة ترددية كبيرة ولا يحتاج إلى جهود عالية مقارنة بالكلايسترون، إلا أنه أقل كفاءة منه.
يتضمّن الصمام TWT ثلاث مراحل؛ وهي مدفع الإلكترونات، قطاع التفاعل، مجمّع الإلكترونات (الشكل 12). يتوفر بداخل قطاع التفاعل سلك لولبيhelix يعمل خطَّ تأخير للموجة، وتمرّ الإلكترونات بلفّاته في أثناء عبورها القطاع. تدخل إشارة الدخل العالية التردد من طرف خط التأخير القريب من مدفع الإلكترونات، وتخرج من الطرف الآخر بعد قضاء مدة زمنية أطول داخل مرحلة قطاع التفاعل بسبب السلك اللولبي. تكتسب الموجة خلال رحلتها عبر الصمام طاقة من الإلكترونات المتحركة بسرعة نحو المجمّع، ويؤدي ذلك إلى تكبير الإشارة الراديوية.
![]() |
|
الشكل (12): صمام الموجة الراحلة. |
لما كان الصمام TWT يتميز بخطية عالية ومعامل ضجيج منخفض، فإنه يمكن استخدامه مكبراً قليل الضجيج بمراحل التردد الراديوي بمستقبلات الرادار القديمة، إلى جانب استخدامه مرسلاً مستقراً في الرادار ونظم الاتصالات الفضائية.
تمّ تصميم صمام التويسترون Twystron ليجمع بين خواص الكلايسترون وصمام الموجة الراحلة، بحيث يكون له كفاءة عالية وسعة ترددية مرتفعة.
|
مراجع للاستزادة: - T. Edgar, General Knowledge Manual, Pearson, 2011. - R. Moers, Fundamental Amplifier Techniques with Electron Tubes, Elektor Publishing, 2011. - D. M. Pozar, Microwave Engineering, John Wiley & Sons, N.Y., 2005. - G. D. Vendelin, Microwave Circuit Design Using Linear and Nonlinear Techniques, John Wiley and Sons, 2005. |
- التصنيف : الهندسة الالكترونية - النوع : الهندسة الالكترونية - المجلد : المجلد الثالث، طبعة 2017، دمشق مشاركة :












